产品尺寸要求:


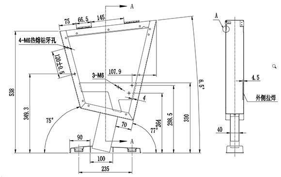
站脚尺寸要求:
扶手写字板向上倾斜6.5度,需提供五金站脚小样一个。
技术要求:
1.座椅根据人体工程学原理及形态美学设计制造,座软包和背软包弧度完全符合人体原理曲线,扶手框和底脚采用优质热轧板冲压成型,脚管采用优质热轧板经二氧化碳焊接成型,表面采用防锈静电喷亚光黑处理。座高和座深合理,坐感舒适,座垫可自动回复,座椅外观简洁而美观。
2.座椅基本中心距为580±1.0mm,座包打开侧深720±1.0mm,写字板打开侧深860±1.0mmm,基本椅高为1000±1.0mm。最小排距:900mm。
3.写字板:采用铝合金模具压铸成型,配铝合金旋转功能转头,面板采用高密度中纤板,外压三胺板,四周PVC封边,尺寸规格:长度为270±1.0mm,宽度为250±1.0mm,厚度为12mm。扶手盖和写字板向上倾斜6.5度保证书写舒适自然状态,打开回收时需带消音功能,不可有反弹力与燥音的出现。
4.面料采用高档针织面料,并经防静电、防蛀处理,手感舒适,长时间使用无皱褶、断裂、起球、褪色现象。
5.座椅泡绵均为聚氨酯冷发泡高回弹定型海绵,座海棉尺寸:长度为470±10mm,宽度为460±5mm,高度为150±10mm,海棉密度为50-55KG/M3。,背海棉尺寸:长度为750±5mm,宽度为470±5mm,高度为135±5mm,海棉密度为40-45KG/M3,强度高,回弹性好,独特配方,使泡绵具有抗菌性,能有效杀灭大肠杆菌等病菌。
6.所有的钢材都使用最优质钢材,焊接件采用机器人焊接,焊接质量高。扶手支架采用冷轧板或型材冲压成型,表面经表面经脱脂→清洗→去锈→清洗→磷化→清洗→钝化→粉末静电喷涂→固化→冷却然后采用环氧树脂30微米静电喷涂,保证盐浴72小时漆膜耐腐蚀试验不生锈。
7.座椅扶手为优质实木曲线造型,扶手尺寸规格:长度为432±2mm,宽度为80±2mm,高度为27±2mm。
8.座背外板:采用优质高密度硬木多层板,经模具冷压注成型,不褪色,抗变型。背外板规格:长度为770±2mm,宽度为510±2mm,厚度为15mm。座外板尺寸规格:长度为440±2mm,宽度为420±2mm,厚度为12mm。背内板:采用优质夹板经模具压弯成型。
外型成弧型,美观大方,具有曲线美。尺寸规格:长度为708±2 mm,宽度为440±2mm,厚度为6 mm。座铁框:采用优质钢板经冲压焊接成型,海绵接触面焊接5条S形蛇簧,保证椅座舒适有弹性。尺寸规格:长420±2mm,宽度为410±2mm,高度为56±2mm。
9.座包采用阻尼回复机构,两级缓冲先快后慢,使座包3秒内可回复到位,具备逃生消音功能,座包回复碰撞部位增加橡胶垫防撞降噪,使座包打开无噪音,回复缓慢无冲击性撞击。
10.座椅站脚采用优质1.8mm厚碳素冷轧钢经模具冲压、焊接、打磨、除油除锈后静电喷涂而成,坚固耐用,防锈耐腐蚀。左右两侧配有侧板并面覆麻绒布,美观且防撞。站脚尺寸为:长度为586±1.0mm,宽度为427±1.0mm,高度为80±1.0 mm。
11、座椅固定方式采用隐藏式压爆螺丝固定地面,外观特别设计塑料防尘盖,保证椅脚平滑美观的同时防止积尘,便于清洁。








